Вентпром 101
Типоразмер: Вентпром 101
Вентпром 101
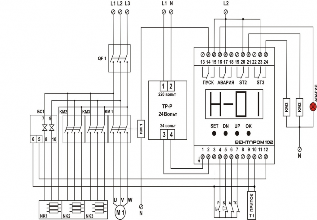
Вентпром 102
Вентпром 103
Вентпром 104
Вентпром 107
Наличие и цену уточняйте у наших менеджеров.
Вентпром 101
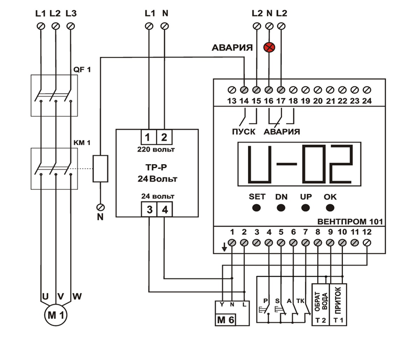
Модель Вентпром 101 Микропроцессорный контроллер предназначен для поддержания заданной температуры в приточных вентиляционных системах с водяным нагревом.
Стандартные функции.
- Управление приточным вентилятором.
- Управление электроприводом двух /трехходовой регулирующей арматуры с питанием 24В и входным аналоговым сигналом 0-10В.
- Отображение режима ожидания и режима работы.
- Контроль и отображение температуры воздуха в канале вентиляции.
- Режим таймера.
- Контроль и отображение температуры обратной воды.
- Контроль и индикация неисправности термодатчиков.
- Работа с датчиками температуры типа NTC 10кОм.
- Защита от «разморозки» системы циркуляции теплоносителя.
- Вход внешней аварийной блокировки работы.
- Индикация аварии.
- Позисторная и биметаллическая защита электродвигателя вентилятора.
В режиме РАБОТА контроллер осуществляет регулирование температуры приточного воздуха, управляя подключенными устройствами. Контакты выходного реле ПУСК замкнутся, включится вентилятор М1. Контроллер начнет сравнивать измеренное значение температуры воздуха канальным датчиком температуры Т1 с пользовательской уставкой, и в зависимости от разницы между установленной и текущей температурой будет происходить регулирование и поддержание температуры в вентиляционном канале по пропорционально-интегральному закону путем регулирования объема теплоносителя электроприводом М6 регулирующей арматуры аналоговым выходным сигналом 0-10В.
В режиме ОЖИДАНИЕ контроллер начнет контролировать температуру обратной воды. При понижении температуры теплоносителя в системе водяного калорифера ниже +12°С, измеренную накладным датчиком температуры Т2 возникает угроза замерзания теплоносителя, контроллер увеличит угол открытия трехходового регулирующего клапана, увеличив тем самым количество теплоносителя через водяной калорифер.
Стандартные функции.
- Управление приточным вентилятором.
- Управление электроприводом двух /трехходовой регулирующей арматуры с питанием 24В и входным аналоговым сигналом 0-10В.
- Отображение режима ожидания и режима работы.
- Контроль и отображение температуры воздуха в канале вентиляции.
- Режим таймера.
- Контроль и отображение температуры обратной воды.
- Контроль и индикация неисправности термодатчиков.
- Работа с датчиками температуры типа NTC 10кОм.
- Защита от «разморозки» системы циркуляции теплоносителя.
- Вход внешней аварийной блокировки работы.
- Индикация аварии.
- Позисторная и биметаллическая защита электродвигателя вентилятора.
В режиме РАБОТА контроллер осуществляет регулирование температуры приточного воздуха, управляя подключенными устройствами. Контакты выходного реле ПУСК замкнутся, включится вентилятор М1. Контроллер начнет сравнивать измеренное значение температуры воздуха канальным датчиком температуры Т1 с пользовательской уставкой, и в зависимости от разницы между установленной и текущей температурой будет происходить регулирование и поддержание температуры в вентиляционном канале по пропорционально-интегральному закону путем регулирования объема теплоносителя электроприводом М6 регулирующей арматуры аналоговым выходным сигналом 0-10В.
В режиме ОЖИДАНИЕ контроллер начнет контролировать температуру обратной воды. При понижении температуры теплоносителя в системе водяного калорифера ниже +12°С, измеренную накладным датчиком температуры Т2 возникает угроза замерзания теплоносителя, контроллер увеличит угол открытия трехходового регулирующего клапана, увеличив тем самым количество теплоносителя через водяной калорифер.

М1- приточный вентилятор;
М6- электропривод двух- /трехходовой регулировочной арматуры, питание 24 В, управление сигналом 0-10 В;
T1 - канальный датчик температуры типа NTC10K;
T2 - накладной датчик температуры обратной воды типа NTC10K;
QF1 - выключатель автоматический;
КМ1 - контактор магнитный приточного вентилятора;
P – кнопка ПУСК;
S – кнопка СТОП;
A – контакт аварийного останова;
TK– термоконтакт электродвигателя;
М6- электропривод двух- /трехходовой регулировочной арматуры, питание 24 В, управление сигналом 0-10 В;
T1 - канальный датчик температуры типа NTC10K;
T2 - накладной датчик температуры обратной воды типа NTC10K;
QF1 - выключатель автоматический;
КМ1 - контактор магнитный приточного вентилятора;
P – кнопка ПУСК;
S – кнопка СТОП;
A – контакт аварийного останова;
TK– термоконтакт электродвигателя;

М1- приточный вентилятор;
БС1- блок симисторов первой ступени нагревателя;
T1 - канальный датчик температуры типа NTC10K;
QF1 - выключатель автоматический;
КМ1 - контактор магнитный приточного вентилятора;
КМ2 - контактор магнитный второй ступени нагревателя;
КМ3 - контактор магнитный третьей ступени нагревателя;
P – кнопка ПУСК;
S – кнопка СТОП;
A – контакт аварийного останова;
TK– термоконтакт электродвигателя;
БС1- блок симисторов первой ступени нагревателя;
T1 - канальный датчик температуры типа NTC10K;
QF1 - выключатель автоматический;
КМ1 - контактор магнитный приточного вентилятора;
КМ2 - контактор магнитный второй ступени нагревателя;
КМ3 - контактор магнитный третьей ступени нагревателя;
P – кнопка ПУСК;
S – кнопка СТОП;
A – контакт аварийного останова;
TK– термоконтакт электродвигателя;

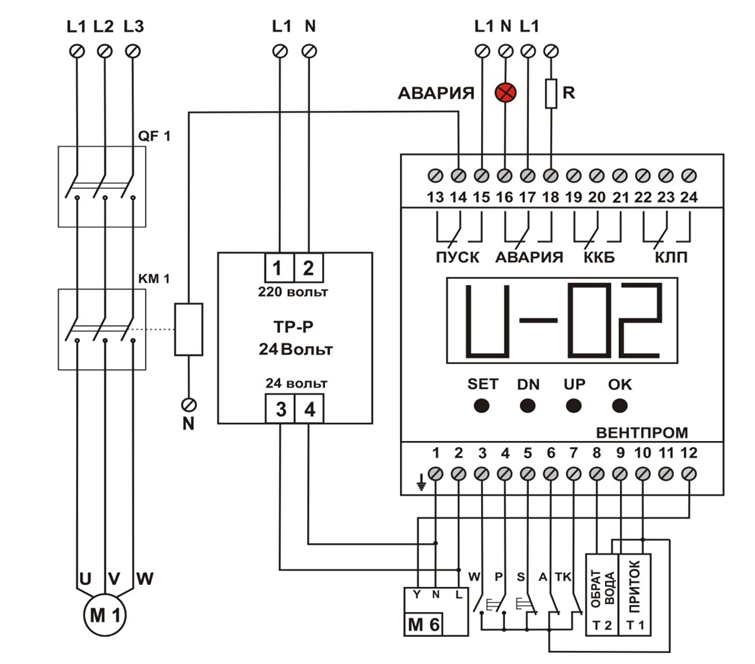
М1- приточный вентилятор;
М6- электропривод двух- /трехходовой регулировочной арматуры, питание 24 В, управление сигналом 0-10 В;
T1 - канальный датчик температуры типа NTC10K;
T2 - накладной датчик температуры обратной воды типа NTC10K;
QF1 - выключатель автоматический;
КМ1 - контактор магнитный приточного вентилятора;
W– переключатель СЕЗОН (зима-лето);
P – кнопка ПУСК;
S – кнопка СТОП;
A – контакт аварийного останова;
TK– термоконтакт электродвигателя;
ККБ – контакт запуска фреонового охладителя;
М6- электропривод двух- /трехходовой регулировочной арматуры, питание 24 В, управление сигналом 0-10 В;
T1 - канальный датчик температуры типа NTC10K;
T2 - накладной датчик температуры обратной воды типа NTC10K;
QF1 - выключатель автоматический;
КМ1 - контактор магнитный приточного вентилятора;
W– переключатель СЕЗОН (зима-лето);
P – кнопка ПУСК;
S – кнопка СТОП;
A – контакт аварийного останова;
TK– термоконтакт электродвигателя;
ККБ – контакт запуска фреонового охладителя;

ВА 47 –выключатель автоматический
ПМ 1/2 –магнитный пускатель основного/резервного вентилятора
РТ 1/2 – реле тепловое основного/резервного вентилятора
Р 1/Р2 – катушка управления магнитного пускателя
М1 –основной вентилятор
М2 –резервный вентилятор
М4/1 - воздушная заслонка основного вентилятора
М4/2 - воздушная заслонка резервного вентилятора
PD1- дифференциальный датчик давления (нормально замкнут)
PD2- дифференциальный датчик давления (нормально замкнут)
FS1- контакт системы пожарной сигнализации (нормально замкнут)
ПМ 1/2 –магнитный пускатель основного/резервного вентилятора
РТ 1/2 – реле тепловое основного/резервного вентилятора
Р 1/Р2 – катушка управления магнитного пускателя
М1 –основной вентилятор
М2 –резервный вентилятор
М4/1 - воздушная заслонка основного вентилятора
М4/2 - воздушная заслонка резервного вентилятора
PD1- дифференциальный датчик давления (нормально замкнут)
PD2- дифференциальный датчик давления (нормально замкнут)
FS1- контакт системы пожарной сигнализации (нормально замкнут)
Чтобы приобрести понравившийся товар, необходимо его заказать. Есть несколько сценариев того, как это можно сделать.
- Выбрать понравившийся товар и нажать кнопку «Заказать». При оформлении заказа заполнить форму. Вписать информацию в поля: ФИО, телефон и e-mail. Затем вам перезвонит менеджер, чтобы подтвердить ваше согласие на совершение покупки.
- Выбрать понравившийся товар и нажать кнопку «В корзину». Затем перейти в корзину и нажать «Оформить заказ». Далее заполнить форму с контактными данными и отправить заявку. С вами свяжется менеджер для дальнейшего обсуждения.
Оплата
Мы работаем с физическими и юридическими лицами. И предоставляем сразу два варианта оплаты.
- Наличные. Вы подписываете товаросопроводительные документы, расплачиваетесь денежными средствами, получаете товар и чек.
- Безналичный расчет. Принимаем карты Visa и MasterCard. Доступен при курьерской доставке.
Доставка
Можем доставить ваш заказ собственными ресурсами. Либо через варианты доставки:
- Доставка транспортной компанией. Специалист предложит выбрать удобное время доставки и уточнит адрес.
- Самовывоз со склада. Для получения заказа обратитесь к сотруднику в зоне выдачи и назовите номер.
